Ausgabe 14 April 2012

Diesen Artikel als PDF

Mosfet-Gleichrichter für Fahrradbeleuchtung

von Jürgen Heidbreder und Benno Kröck

Seit LEDs für die Radbeleuchtung verwendet werden, besteht die Notwendigkeit, die Wechselspannung des Dynamos gleichzurichten. Dies muss möglichst effizient geschehen, stehen doch nominell lediglich 3 W aus 6 V zur Verfügung. Gleichrichter mit Silizium-Dioden sind zwar günstig und robust, verursachen aber einen Spannungsabfall von mehr als 1 V. Schottky-Dioden sind zwar etwas besser, aber 0,5 bis 0,8 V sind es auch dort.

Mosfet-Transistoren sind bekannt als fast ideale Schalter. Sie besitzen niedrige Einschaltwiderstände und halten hohe Spannungen und Ströme aus. Lediglich das Steuern der Mosfets könnte die ganze Sache kompliziert machen. In der hier vorgestellten Schaltung braucht man keine spezielle Steuerung.

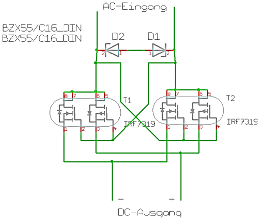
Begnügt man sich mit einem Spannungsbereich bis 20 V (das ist die maximal erlaubte Spannung an den Gates der verwendeten Transistoren), dann sieht die Schaltung sehr einfach aus.

Zwei N-Kanal-Mosfets werden mit ihren Sources an den negativen gleichgerichteten Ausgang geschaltet, entsprechend zwei P-Kanal Mosfets an den positiven Ausgang. Die Gates werden jeweils an die gegenüber liegenden Wechselspannungs-Eingänge gelegt. Das ist eigentlich schon alles.

Man erkennt, dass die parasitären Dioden der Mosfets genauso gepolt sind, wie die Dioden in einem herkömmlichen Gleichrichter.

Bild 1

Weil nun die Gates die volle Wechselspannung aushalten müssen, darf die Spannung 20 V nicht überschreiten. Das wird erreicht durch zwei antiseriell geschaltete Zenerdioden von je 16 V, die parallel zum Wechselspannungseingang gelegt werden.

Da nun solche Zenerdioden nicht beliebig viel Leistung aufnehmen können, muss dafür gesorgt werden, dass die LEDs immer fest mit der Schaltung verbunden sind.

Daher muss ein Einschalter zwischen Dynamo und Gleichrichter positioniert werden.

Maximal können vier Stück 3-Watt-LEDs (oder eine MC-E mit in Reihe geschalteten Chips) am Gleichrichter angeschlossen werden. Mehr ist wegen der begrenzten Leistungsfähigkeit der Dynamos nicht sinnvoll, und bei vier LEDs nähert man sich auch der Spannungsfestigkeit der Mosfets.

Bei vier LEDs kann man mit einem zweiten Schalter zwei LEDs kurzschließen, um damit bis zur Schrittgeschwindigkeit herunter Licht zu bekommen.

Die Platine ist 16 × 13 mm klein, lässt sich also leicht überall unterbringen.

Bild 2

Die Zener-Dioden kann man auf der Rückseite anbringen.

Die Verdrahtung:

Bild 3

Mosfet-Gleichrichter und Kondensator

Der Autor ist sich bewusst, dass die Frage nach einem Pufferkondensator so regelmäßig kommt wie die Diskussion über das Verhältnis Radfahrer zu Autofahrer.

Als gesicherte Erkenntnis gilt, dass ohne Kondensator lediglich bei Geschwindigkeiten < 10 km/h das Licht ein wenig flackert.

Wen das Flackern bei geringen Geschwindigkeiten trotzdem stört, braucht einen Kondensator. Leider ist es so, dass die Mosfets in beiden Richtungen leiten. Das heißt, schaltet der Mosfet nicht rechtzeitig ab, würde die gerade gepufferte Spannung schnell wieder zurück fließen.

Um das zu verhindern, gibt es mehrere Möglichkeiten:

  1. Die einfache Lösung: eine Schottky-Diode in Reihe zwischen Gleichrichter und Kondensator. Das kostet zwar 0,3 V an Spannung, ist aber einfach.
  2. Die aufwändigere Version. Dazu muss man die Mosfets dazu bringen, genau dann zu sperren, wenn die gleichgerichtete Spannung gerade kleiner wird als die Spannung, die mit dem Kondensator gepuffert wurde. Dazu braucht man einen Komparator, der diese beiden Spannungen vergleicht. Das ist aber insgesamt eine recht aufwändige Schaltung. Beispiele gibt es im Netz viele, z. B.:
    mikrocontroller.net/attachment/43223/DE2008071001.pdf
    ledstyles.de/ftopic10179.html
    Bei einem solch hohen Aufwand muss man sich aber fragen, ob sich das lohnt. Das mögliche Flackern ist ja nur ein Aspekt. Der andere ist, dass damit die geringe Helligkeit bei geringen Geschwindigkeiten nicht besser wird. Dem kann man nur durch eine akkugestützte Beleuchtung begegnen. Die ist dann per se flackerfrei.

Standlicht

Das Standlicht ist ein einfach zu realisierender Zusatz. Einen Teil der Dynamospannung wird in einem Goldkap gespeichert. Sie dient der Versorgung einer LED, wenn der Dynamo keine Spannung liefert. Die Zeitdauer, die ein solcher Kondensator überbrücken kann, ist in erster Näherung:
t = (C ∙ ∆U) ÷ I

Bei einem gewünschten Strom I und einer gegebenen Kapazität C hängt die Zeit nur noch von ∆U ab, der Spannungsdifferenz, die der Kondensator während des Entladens erfährt.

Schaltet man den Goldkap direkt parallel zu einer LED, erzielt man nur recht bescheidene Zeiten, weil die Spannungsdifferenz recht gering ist und der Strom lediglich durch den Innenwiderstand des Goldkaps begrenzt wird. Nach der Formel oben würde sich eine Leuchtdauer von gerade einmal 10 Sekunden ergeben.

Weil der Betrieb eines Mosfet-Gleichrichters erst bei zwei und mehr LEDs interessant ist, gibt es eine weit bessere Möglichkeit, einen Goldkap fürs Standlicht einzusetzen.

Es wird etwas Strom an der oberen LED sozusagen »vorbeigeleitet«, um damit den Goldkap zu speisen. Dabei nutzt man die Tatsache, dass die Durchlassspannung der LEDs recht stabil ist. So kann eine aufwändige Begrenzung der Goldkap-Spannung entfallen.

Bild 4

Der Spannungsteiler aus den beiden Widerständen begrenzt die Spannung am Goldkap auf 5 V. Gleichzeitig begrenzen die Widerstände einerseits den Ladestrom des Goldkaps, andererseits auch den Entladestrom für die untere Standlicht-LED. Dieser Strom beträgt im Mittel rund 30 mA, ausreichend, um gesehen zu werden. Bei einem voll geladenen Goldkap ergibt sich so eine Leuchtdauer von mehr als 60 Sekunden. In der Praxis leuchtet das Standlicht wesentlich länger, weil mit der Entladung der Strom abnimmt.

Falls jemand den Mosfet-Gleichrichter nachbauen möchte, kann er bei Jürgen Heidbreder (Kontakt: siehe unten) leere Platinen oder auch fertige Gleichrichter bekommen.

Zu den Autoren

Jürgen Heidbreder: Ich bin 56 Jahre alt, beruflich fast ausschließlich an Schreibtisch oder Labor gebunden. Daher nutze ich jede Gelegenheit, mit dem Rad zu etwas Bewegung zu bekommen. Seitdem die ersten wirklich ernsthaften LEDs für Beleuchtungszwecke auf dem Markt sind, habe ich meine Elektronik-Aktivitäten auf diesem Gebiet verstärkt. Ergebnis sind der hier vorgestellte Mosfet-Gleichrichter, ein Linear-Stromregler für LEDs, ein Akkuwächter mit rot-grüner-Duo-LED und einige andere kleinere Schaltungen. Kontakt: j-heidbreder@freenet.de