Ausgabe 10 Februar 2010

Diesen Artikel als PDF

Standlicht – effizient

Standlichtschaltung für NiMH-Akkus und einen 6-Volt-Seitenläufer

von Olaf Rauch

Die Schaltung bietet annähernd verlustfreie Akkuladung und annähernd verlustfreie Stromversorgung des Lichts. Mit einigen Modifikationen kann auch ein Nabendynamo verwendet werden.

Bild 1: Starkes Licht – auch im Stand
Von: Andreas Oehler

Wer baut sich heutzutage noch eine Standlichtschaltung selbst? Es gibt auch im Zeitalter brauchbarer Leuchten mit Kondensatorstandlicht noch Gründe dafür:
Bei der vorgestellten Schaltung war die Motivation für den Eigenbau die bescheidene Lichtleistung und Leuchtdauer selbst lichtstarker LED-Scheinwerfern im Standlichtbetrieb.

Zwei weitere Punkte waren die benötigte Entkopplung zwischen Generator- und Akkuversorgung, für die üblicherweise eine Diode verwendet wird, und die Regelung des Ladestroms, die bei den meisten anderen Konzepten mittels eines temperaturabhängigen Spannungreglers realisiert wird. Beides ist hier anders gelöst:
Es werden keine zusätzlichen Dioden zur Lastverteilung verwendet, so dass die volle Spannung sowohl des (gleichgerichteten) Generators als auch der 5 NiMH-Zellen am Licht ankommt.

Eine Regelung des Ladestroms findet aus mehreren Gründen ebenfalls nicht statt. Es erschien mir völlig absurd, einen guten Dynamo mit 30 % Wirkungsgrad oder gar einen SON mit bis zu 70 % zu verwenden und dann die nicht benötigte Leistung zu verheizen. Statt dessen werden die Akkus immer mit allem verfügbaren Strom geladen und die Temperaturüberwachung nur zum Signalisieren des Ladeendes verwendet. Die Ladung beginnt dadurch bereits bei 8 km/h und hat ihre beste Effektivität (Ladung pro Fahrstrecke) bei 20 km/h, ist also auch für Stadt- und Langsamfahrer geeignet. Eine für NiMH-Zellen zerstörerische »Erhaltungsladung« gibt es nicht.

Als Nebenprodukt erhält man mit dieser Schaltung zusätzlich eine stabilisierte 5 V-Spannungsquelle, mit der sich auch noch Zusatzgeräte betreiben und aufladen lassen.

Zu guter Letzt sollten bis auf das Einschalten des Lichts alle Funktionen automatisch arbeiten.

Um aus der Schaltung kein »Transistorengrab« zu machen, werden preiswerte Digitalchips verwendet.

Das Prinzip

Die gesamte Schaltung und auch das Licht werden nur mit Gleichspannung betrieben, also wird zunächst der Generatorstrom gleichgerichtet.

Der Gleichrichterausgang wird über ein Relais mit 5 NiMH-Zellen verbunden. Damit erhält man eine, abgesehen vom notwendigen Gleichrichter, verlustfreie Aufladung, die bereits bei gut 10 km/h nennenswerten Ladestrom liefert. Das Ladeende wird an Hand der Akku-Temperatur ermittelt und durch eine LED signalisiert. Die Aufladung muss dann manuell abgeschaltet werden. Diese Design-Entscheidung wurde getroffen, weil ein vollautomatisches Laden meines Erachtens praktisch nicht realisierbar ist.

Zum Fahren mit Licht wird über einen einfachen Schalter das Akkupack mit der Lichtanlage verbunden. Die Lastverteilung zwischen Generator und Akku erfolgt automatisch durch den Gleichrichter und erfordert keine zusätzlichen Dioden. Dadurch entspricht die Versorgungsspannung des Licht immer der nahezu konstanten Akkuspannung von 7 V bei einigermaßen geladenen Akkus.

Die Elektronik hat folgende Aufgaben:

  • Die Akkutemperatur muss während der Aufladung überwacht und signalisiert werden.
  • Wenn das Fahrrad steht, wird die Verbindung zu den Akkus nach 10 Sekunden getrennt, damit das Licht nicht unbefugt im Stand eingeschaltet werden kann.
  • Wenn das Licht an ist, wird die Akkuverbindung erst nach einigen Minuten im Stand getrennt. Das ist der normale »Standlichtfall« und ein Schutz gegen Tiefentladung.
  • Wenn man mit Licht schneller als 15–20 km/h fährt, wird die Lichtausbeute erhöht, indem die Akkuverbindung ebenfalls getrennt wird. Der Generator lädt dann nicht zusätzlich die Akkus, sondern versorgt ausschließlich das Licht. Das ist notwendig, damit wenig geladene Akkus nicht einen großen Teil der Leistung »aufsaugen«.

Durch die Verwendung von Digitalelektronik wird eine geregelte Spannung von 5 V erforderlich. Wenn ein entsprechend belastbarer Regler eingebaut wird, erhält man als Nebenprodukt noch eine USB-kompatible Spannungsquelle zum Betreiben und Aufladen von Zusatzgeräten.

Schließlich gibt es noch einen unsichtbaren Einschalter, um bei ausgefallenen Dynamo mit Batterielicht fahren zu können.

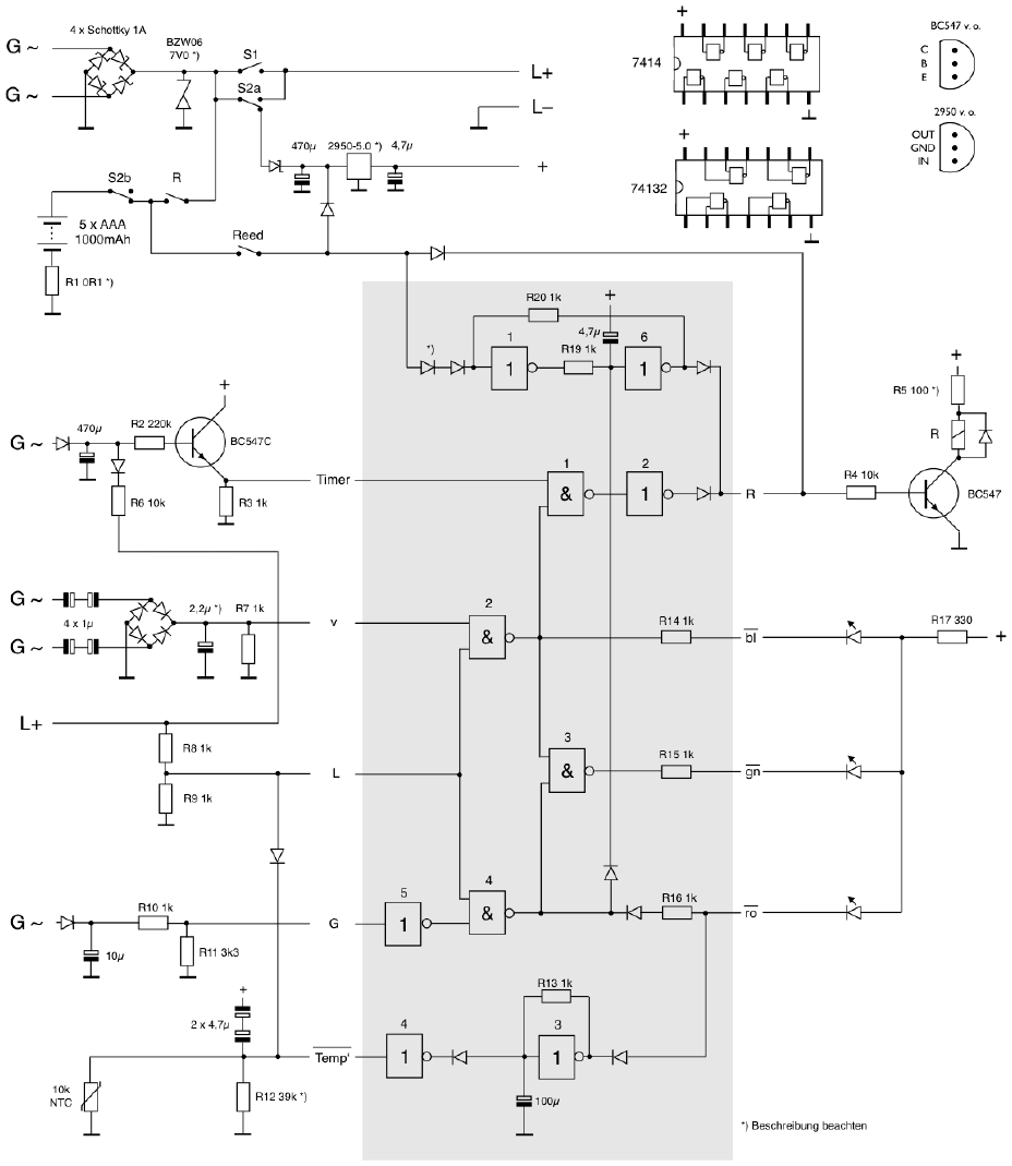
Bild 2: Der Schaltplan: Oben der Leistungsteil mit den Akkus, grau hinterlegt der digitale Teil

Funktionsbeschreibung ausführlich

Die Dynamospannung wird zunächst durch einen Brückengleichrichter aus Schottkydioden gleichgerichtet. [1]

Die Z-Diode begrenzt die Spannung für die gesamte Schaltunng auf ca. 8,5 V. [2]

S1 ist der Lichtschalter, vorzugsweise am Lenker montiert.

Bild 3: Der Schalter S1 ist am Lenker gut zugänglich. Das Gehäuse beherbergt auch die Status-LEDs

S2 ist ein zweipoliger Umschalter als Hauptschalter, der hier in der Betriebsstellung eingezeichnet ist, in der er normalerweise dauerhaft bleiben kann. Wenn man ihn ausschaltet, werden Akkus und Elektronik abgetrennt, und es wird zusätzlich das Licht eingeschaltet, um den Dynamo zu belasten. [3]

Der Relaiskontakt R verbindet die Akkus direkt mit dem Gleichrichterausgang, sobald man das Fahrrad bewegt. So steht die gesamte Anlage jederzeit unter Spannung und das Licht kann auch kurz nach dem Anhalten noch eingeschaltet werden.

Das Relais schaltet ab:

  • nach ca. 10 Sekunden im Stand, wenn das Licht aus ist
  • nach 5–10 Minuten im Stand, wenn das Licht an ist
  • bei Geschwindigkeiten von über 15 km/h, wenn man mit Licht fährt.

Der Low-Drop Spannungsregler 2950 versorgt die Elektronik mit stabilen 5V. [4]

Die Elektronik (die »Logik«) verwendet zwei TTL-Bausteine, die das Relais und die LED-Anzeigen steuern:

1 × 74LS14, sechs Inverter mit Schmitt-Trigger-Eingängen

1 × 74LS132, vier NANDs mit Schmitt-Trigger-Eingängen. [5]

Zum Schluss noch zur Funktion des Reed-Schalters (ein kleiner, durch einen Magneten schaltbarer Kontakt, wie ihn auch Fahrradtachos als Geber benutzen):

Nichts ist blöder, als mit geladenen Akkus und einer intakten Lichtanlage im Dunkeln zu stehen, weil der Dynamo nicht funktioniert und die Schaltung nicht aktivieren kann. Um in diesem Fall die Batterien nutzen zu können, muss man einen kleinen Magneten, den man irgendwo am Fahrrad mitführen kann, bei eingeschaltetem Lichtschalter von außen kurz an die richtige Stelle des Gehäuses halten und hat dann einmalig dauerhaft Batterielicht, solange bis man den Lichtschalter ausmacht. Die Schaltung geht dann automatisch wieder in den Normalzustand.

Es gibt fünf analoge Eingangssignale

  1. »Timer« ist auf »1« für 5–10 Minuten bzw. 10 Sekunden (siehe oben) nach dem Stehenbleiben [6]
  2. »v« ist auf »1« bei einer Geschwindigkeit über ca. 15 km/h [7]
  3. »L« ist auf »1« bei eingeschaltetem Licht [8]
  4. »G« ist auf »1« bei laufendem Generator
  5. »Temp« ist auf »0« bei einer Akkutemperatur über 40 °C und ausgeschaltetem Licht [9]

Verarbeitung der Eingangssignale

  1. Der Timereingang schaltet das Relais ein. [10]
  2. Der Reed-Schalter sorgt für Dauerbetätigung des Relais.

    Die Inverter 1 und 6 bilden durch die Rückkopplung über R20 ein Flip-Flop, welches das Relais für den nur-Batteriebetrieb steuert. Der Reed-Schalter versorgt den Spannungregler, steuert die Transistor-Endstufe des Relais an und setzt das Flip-Flop (zur Sicherheit über zwei Dioden, da der Eingang max. 7 V aushält). Das Zurücksetzen wird über NAND 4 ausgelöst, also sowohl beim Ausschalten des Lichts als auch bei einsetzender Dynamoversorgung. [11]

  3. die Kombination »Licht an« UND »schnelles Fahren« schaltet die blaue LED ein und über NAND 1 das Relais wieder aus. [12]
  4. die Kombination »Licht an« UND »Generator läuft« NICHT (Inverter 5) schaltet die rote LED ein. [13]
  5. die Kombination »keine blaue LED« UND »keine rote LED« schaltet die grüne LED ein.
  6. Übertemperatur am Akku (also i. d. R. »Akku ist voll«) lässt die rote LED hell blinken. [14]

Sonstige Bauteile

Die beiden Transistoren sind »irgendwelche« NPN, z. B. BC547C.

Die zahlreichen Dioden sind ebenfalls beliebige, z. B. 1N4148, alternativ ein Brückengleichrichter »so klein wie geht« am Eingang v.

Für das Relais genügt auch das kleinstmögliche mit einer Betriebsspannung von 5 V oder weniger, Belastbarkeit 1 A DC, ein einfacher Einschalter ist ausreichend.

Die LEDs gibt es als RGB mit gemeinsamer Anode (!) in einem Gehäuse zu kaufen, man kann natürlich auch drei einzelne einbauen. [15]

Bild 4: Die Platine
Bild 5: Kompakte Unterbringung von Schaltung und AAA-Akkupack

Aufbau

Nach dem Zusammenbau auf einer Lochrasterplatine und dem Test kann man die Schaltung mit Klarlack oder Plastik-Spray wasserfest machen. Auf ein komplett dichtes Gehäuse kann man so verzichten. Ich verwende eine Aufputzdose kleiner Baugröße in Schutzart IP54, also spritzwasserfest. Der Preis ist unschlagbar.

Bild 6: Eine Aufputzdose aus dem Elektro-Installations-Bedarf beherbergt Schaltung und Akkus

Laden von Akkus

In der Praxis zeigt sich eine Schwachstelle der Ladekontrolle, die meine Schaltung mit anderen temperaturmessenden Aufladeschaltungen gemein hat: Bei reinem Kurzstreckenbetrieb kommt man nie auf hohe Temperaturen, selbst wenn man mit vollen Akkus startet. Das Kriterium für Vollladung ist genau genommen nicht die Temperatur, sondern ein Temperaturanstieg von mehr als 1 K/min. Das zu messen, ist mir aber mit einfacher Elektronik noch nicht gelungen.

Es gibt keine einfach realisierbare Vollautomatik für das Laden von Akkus bei schwankender Stromversorgung nur mit Temperaturmessung. Andere Messwerte sind nicht verwendbar: Die Zellenspannung ist von der Umgebungstemperatur abhängig, und die sehr sichere Methode »minus-delta-V« (Zurückgehen der Spannung bei Ladeschluss) funktioniert nur bei konstantem Ladestrom.

Wenn man mit vollen, kalten Zellen startet, brauchen diese bei schnellstmöglicher Erwärmung (1 K/min ist bei dem eher geringen 0,5 C – also einem Strom, der dem 0,5-fachen des Zahlenwerts der Kapazität in Ah gleich kommt – wohl realistisch) mindestens 10–15 Minuten, bis sie 40 °C erreichen. Dann hat man in einem günstigen Fall (25 °C Starttemperatur, 20 km/h = 410 mA) schon mehr als 10 % überflüssige Ladung, also Überladung in die Zellen gezwungen, realistisch (10 °C, 25 km/h = 470 mA) fast 20 %, im schlechtesten Fall (0 °C, 40 km/h = 550 mA) fast 40 %, Abkühlung durch Fahrtwind und zwischenzeitliches Anhalten sind dabei noch nicht berücksichtigt.

Man kommt also nicht umhin, mitzudenken: Wenn die Akkus voll sind, sollte der Dynamo erst mal ein paar Tage aus bleiben. Das ist sicherlich auch einer der Gründe, warum es bisher keine brauchbare Standlichtschaltung mit Akkus zu kaufen gibt. Mit einer Temperaturdifferenzmessung (Akku-/Umgebungstemperatur) käme man näher an das Ideal Vollautomatik heran.

Messergebnisse

Auf der letzten Seite noch ein paar Ladestrommessungen bei nicht ganz vollen Akkus und die Fahrstrecke, die man zurücklegen muss, um leere Zellen voll zu kriegen (das 1,4-fache der Nennkapazität). Es wurde ein AXA HR verwendet. Wegen der rigiden Zulassungsvorschriften sind bei allen handelsüblichen Dynamos ähnliche Werte zu erwarten. Die Ströme sind wegen des kleinen Messwiderstands nur auf 10 mA genau, die Geschwindigkeiten mit einem handelsüblichen Tacho aufgenommen und »handgekurbelt«.

Wie man sieht, ist die Effektivität der Ladung bei 20 km/h am besten, aber schon ab 12 km/h fließt ein nennenswerter Ladestrom.

Bild 7: Ladestrom in den Akkupack abhängig von der Fahrgeschwindigkeit bei ausgeschaltetem Licht
Bild 8: Wie weit muss man fahren, bis ein leerer Akku voll geladen ist?

Betrieb mit einem Nabendynamo

Die Schaltung darf nicht mit unbelastetem (Naben-)Dynamo betrieben werden sonst wird die Z-Diode bei längerem Betrieb überlastet. Der Generator muss also über einen zusätzlichen Schalter (am Besten auf der Wechselstromseite) abgeschaltet werden können, wenn man den Ladevorgang beenden möchte.

Der v-Eingang ist für die Wechselstromfrequenz eines Seitenläufers ausgelegt. Die Kondensatoren am Eingang müssen für einen Nabendynamo auf etwa das fünf- bis zehnfache vergrößert werden, da die Frequenz der Wechselspannung ca. nur ein Sechstel beträgt. Das wurde mangels Nabendynamo nicht getestet.

Der G-Eingang wird bei langsamer Fahrt zwischen Rot und Grün flackern. Als Abhilfe kann der Kondensator vergrößert werden. Oder man setzt die Schaltschwelle nach oben, indem man R10 vergrößert.

Prinzipiell ist auch eine Version für 12 V-Beleuchtung denkbar. Der Spannungregler macht das mit, allerdings nicht mehr sinnvoll in der Variante mit 1 A Stromentnahme für externe Geräte, dann hätte man 7 W Verlustleistung am Regler für einen 5 W-Verbraucher.

Zu beachten ist lediglich, dass an keinem der 74xx-Eingänge mehr als 7 V ankommen, das ist durch Vorschalten bzw. Ändern von Spannungsteilern leicht machbar.

Zum Autor

Olaf Rauch (olaf.rauch@gmx.de), IT-Systemelektroniker in Bielefeld, ist Alltags- und Freizeitradfahrer und hat schon als Schüler Standlichtschaltungen gebaut.

Anmerkungen

  1. Eine Gleich-/Wechselstrom-Umschaltung habe ich verworfen, da sehr aufwändig und ohne Vorteile bei der Lichtausbeute. Außerdem gibt es ein unschönes »Turboloch«, wenn die Stromversorgung durch ein Relais umgeschaltet wird.

  2. Normalerweise erreichen 5 Zellen nur 8 V bei Vollladung, bilden also immer eine Last für den Generator. Der Dynamo läuft daher niemals im Leerlauf. Das ist so gewollt und sollte auch nicht durch Abziehen der Lichtleitungen oder Entfernen der Akkus umgangen werden. Die Z-Diode (das Exemplar aus meinem AXA Dynamo ist eine BZW06 7V0B, also ein bidirektionaler Typ) verträgt zwar theoretisch 5 Watt Dauerleistung, setzt diese aber in Wärme um und wird nach wenigen Sekunden (!) so heiß, dass sich die Lötverbindung lösen kann. Kurzzeitiger Generatorleerlauf tritt prinzipbedingt immer beim Ausschalten des Lichts während der Fahrt auf und könnte dann den Spannungsregler oder mehr zerstören. Die maximale Eingangsspannung des Spannungsreglers liegt bei 30 V.

    Eine in neuen Dynamos vorhandene Spannungsbegrenzung muss entfernt werden, sonst bekommt man nicht genug Spannung heraus, um den Spannungsabfall von ca. 1 V am Gleichrichter zu kompensieren. Eine von den zwei ausgebauten Dioden (oder bei einigen Dynamos eine Doppeldiode) kann in der Schaltung verwendet werden. Ebenfalls entfernen muss man eine evtl. vorhandene elektrische Verbindung zum Rahmen am Dynamo oder an den Leuchten.

    Elektronisch geregelte Dynamos wie Dymotec S6 oder Lightspin sind auf keinen Fall geeignet. Denen kann man die Spannungsbegrenzung nicht auf einfache Weise »aberziehen«.

  3. Gleichzeitig eine Möglichkeit, bei ausgefallenem S1 oder dessen Zuleitungen noch mit Licht fahren zu können. Auch bei Fehlfunktionen von Elektronik oder Akkus sinnvoll, da man damit ganz einfach die gesamte Schaltung bis auf den Gleichrichter abschaltet.

    Die Akkus können zusammen mit S2 und der Elektronik oder separat montiert werden, dann ist ein dreiadriges Kabel erforderlich (eine zusätzliche Ader für den Temperaturfühler).

    R1 dient nur zur Strommessung und kann im Betrieb überbrückt werden oder von vornherein entfallen. Der Leistungsverlust ist vernachlässigbar (0,1 Ω (500 mA)2 = 25 mW). Man könnte auch über die Verwendung einer 1-A-Sicherung nachdenken. Die Akkus haben bei Kurzschluss eine sehr hohe Heizleistung. Es dürfte aber schwierig sein, einen korrosionsfesten Sicherungshalter zu bekommen. Das Gleiche gilt auch für die handelsüblichen Batteriehalter, daher besser Akkus mit Lötfahnen kaufen und verlöten. Außerdem hat man bei Unterbrechung der Batterieleitungen das Problem mit dem leerlaufenden Dynamo, man sollte deshalb eine evtl. Sicherung in Aufladerichtung mit einer Diode überbrücken, in dieser Richtung kann ja kein Überstrom auftreten. 1000 mAh reichen für ca. 3 Stunden Standlicht (bei gemessenen 300 mA Gesamtverbrauch), Größere Zellen könnten bei Aufladung mit 500 mA nicht warm genug werden, um das Ladeende erkennen zu können.

  4. Der Pufferkondensator ist so groß dimensioniert, damit die Steuerung noch eine Chance hat, das Relais wieder einzuschalten, wenn man abrupt abbremst. Die Schottkydiode vor dem Eingang verhindert ein Entladen des Puffers über die Leuchten und ist auch für das Einschalten mittels des Reed-Kontakts nötig.

    Alternativ kann man einen 2940 verwenden. Der bietet 1 A Belastbarkeit bei höherem Eigenverbrauch. Dann kann man mit den 5 V auch noch seinen iPod laden oder einen USB-Ventilator, -Weihnachtsbaum, -Aquarium betreiben.

  5. Man sollte auf jeden Fall die »LS« (low power Schottky)-Versionen einbauen, der Stromverbrauch ist deutlich geringer. Die HC-Versionen eignen sich nicht, diese haben abweichende elektrische Werte.

    Durch die Schmitt-Trigger-Eingänge (Schwellwertschalter) ist es möglich, die digital arbeitenden Logikbausteine auch mit im Digitalbereich »verbotenen« Spannungen anzusteuern. Die Eingänge schalten reproduzierbar bei einer festgelegten Spannung von 0,8 und 1,6 V zwischen »0« bzw. »1« um.

  6. Hier ist ein zusätzlicher Transistor erforderlich. Der Transistor sollte ein »C«, also eine hohe Verstärkung haben, z. B. BC547C.

    Über R6 wird der Kondensator bei ausgeschaltetem Licht schneller entladen.

    Die Standlichtzeit streut bedingt durch die Streuung der beteiligten Bauteile und liegt zwischen 5 und 10 Minuten, wird aber auf wenige Sekunden genau reproduziert.

    Es genügt ein kurzes schnelles Andrehen des Dynamos mit den Fingern, um das Relais im Stand einzuschalten. Wem das nicht manipulationssicher genug ist, kann noch einen Widerstand (ca. 10 kΩ) vor die Aufladediode setzen. Dann setzt die Funktion erst nach ein paar Metern Fahrt ein.

  7. Der Eingang liefert eine frequenz-, also geschwindigkeitsabhängige Spannung. Eine Messung der Generatorspannung scheidet aus, da der Generator mit dem Akku verbunden ist und daher sich die Spannung kaum ändert.Die Umschaltung erfolgte bei verschiedenen getesteten Versionen der Schaltung zwischen 15 und 20 km/h. Je zwei Elkos sind antiseriell geschaltet, um sie wechselstromfest zu machen. Es sollten normale und keine Tantal-Elkos sein, da letztere diesen Schaltungstrick nicht überleben.

    Der Glättungskondensator ist nicht beliebig veränderbar. Mit 1 µF oder 100 µF schwingt die Schaltung und das Relais summt kurzzeitig, bevor es umschaltet. 2,2 oder 4,7 µF funktionieren einwandfrei, mit 10 µF funktioniert es ebenfalls, aber erst bei etwas höherer Geschwindigkeit.

  8. Durch den Spannungsteiler fließen ca. 4 mA (gleich Verlust). Wesentlich größere Widerstandswerte sind nicht möglich, sonst kommt keine zuverlässige »0« mehr zustande. Aus dem gleichen Grund ist auch R6 nicht an L, sondern an L+ angeschlossen. Ein größerer R8 funktioniert auch nicht, dann ist die Deaktivierung von »Temp« nicht mehr zuverlässig.

  9. Der Eingang ist ein Spannungsteiler, bestehend aus einem 20 kΩ-Widerstand (im 74LS14) und dem NTC (mit dem Parallelwiderstand R12, siehe unten). Es stellt sich eine Spannung von etwa 1,2 V ein, also zwischen den beiden Umschaltpunkten des Eingangs. Das führt beim Anfahren zunächst erst einmal dazu, dass auf Grund der langsam ansteigenden Versorgungsspannung sofort Temperaturalarm ausgelöst wird und auch nicht wieder ausgeht, da die 1,6 V für eine »1« nie erreicht werden.

    Daher kommt beim Einschalten des Relais, wobei die Spannung sprunghaft auf 5 V steigt, ein kurzer positiver Impuls über die beiden Elkos und schaltet den Eingang auf »1«. Auch hier Wechselstromfestigkeit durch Antiseriellschaltung, ein einzelner Elko würde bei ausgeschaltetem S2 von »L« nach »+« verkehrt herum aufgeladen.

    Durch den Betrieb im Bereich zwischen den beiden Schaltschwellen ist der Eingang so empfindlich, dass auch das Einschalten des Lichts trotz stabilisierter Versorgungsspannung zu einem kurzen Spannungseinbruch führt und den Eingang aktiviert. Daher wird der Eingang bei Licht einfach auf »1« »gezwungen«. Bei Licht findet ohnehin keine Aufladung statt, und es muss keine Temperatur überwacht werden.

    Für R12 ist evtl. ein anderer Wert nötig, um eine vernünftige Anzeige zu erhalten. Die Auswahl von R12 macht man am Einfachsten mit einer Tasse heißen Wassers. Die Schaltung sollte gerade auslösen, wenn man den NTC auf 40 °C erhitzt.

    Für einen Praxistest sollte man mit vollen Akkus 10 bis 15 Minuten fahren, bis die Temperaturkontrolle angeht. Die Akkus sollten dann »schön warm« sein, aber nicht heiß. Panasonic gibt eine Obergrenze von 50 °C für AAA-Zellen an. 40 °C erreicht man natürlich auch im Sommer ohne Aufladung, wenn man das Fahrrad in die Sonne stellt. Da man laut Datenblatt dann auch keine Schnellladung vornehmen soll, bleibt die Anzeige sogar sinnvoll.

  10. Da der Ausgang bei »1« nur etwa 3 V und 0,4 mA liefert, gibt es eine zusätzliche Transistorstufe. R5 senkt den Stromverbrauch des größten Verbrauchers Relais (mit 160 Ω) deutlich von 30 auf 20 mA und hindert das Relais nicht am zuverlässigen Schalten. Ggf. mit drei Akkuzellen, also ca. 4 V mit dem vorgesehenen Relais testen.

  11. Der Kondensator vor Inverter 6 sorgt für das Zurücksetzen des Flip-Flops beim normalen Einschalten des Relais, also beim normalen Anfahren.

  12. Man fährt dann nur mit Dynamoversorgung und es werden für die Elektronik nur ca. 20 mA gebraucht, da das Relais aus ist.

  13. Man würde sonst unter Umständen einen Ausfall des Dynamos gar nicht bemerken, da das Licht ja weiterleuchtet.

  14. Das Blinken besorgt die Beschaltung des Inverters 3 (Anwendungsbeispiel für 7414 aus dem Datenblatt von Texas Instruments). Den Kondensator kann man größer wählen, wenn es nicht so hektisch blinken soll. Falls die Schaltung nicht blinken sollte, ist R13 zu verkleinern.

    Die Aufladung wird dabei nicht unterbrochen, da man ja irgendwo mit der Dynamoleistung hin muss. Man muss dann also selbst den Dynamo abklappen (oder das Licht einschalten).

  15. R14..R16 kann man beliebig ändern (bis auf Null), solange man R17 beibehält, falls man die Helligkeit der Anzeigen ändern möchte.

    Die grüne LED geht während des Blinkens der roten nicht aus, wird aber von dieser deutlich überstrahlt.